Шприцевой фильтр Sartopure GF Plus

Рейтинг: Нет отзывов
  • Доступность:
    под заказ
  • Бренд:
  • Страна производитель:
    Финляндия
  • Инновационное решение для предварительной фильтрации для применения в фармацевтической и биотехнологических сферах. Адсорбирующие фильтры глубинного типа Sartopure® GF Plus специально разработаны для эффективного удаления загрязнений. Предварительная фильтрация с помощью фильтров Sartopure® GF Plus создает очищенные потоки жидкости для последующей обработки.

Задать вопрос о товаре
Базовая цена:
по запросу
 под заказ
icon

Сервисная поддержка

Диагностика и ремонт оборудования, поверка, квалификация IQ/OQ/PQ, удаленная поддержка пользователя
Подробнее
icon

Гарантия

До 36 месяцев — зависит от типа оборудования и производителя
Подробнее
icon

Доставка

Самовывоз с нашего склада, доставка по Москве и РФ
Подробнее
icon

Сервисная поддержка

Диагностика и ремонт оборудования, поверка, квалификация IQ/OQ/PQ, удаленная поддержка пользователя
Подробнее
icon

Гарантия

До 36 месяцев — зависит от типа оборудования и производителя
Подробнее
icon

Доставка

Самовывоз с нашего склада, доставка по Москве и РФ
Подробнее

О товаре

Описание

Ключевой целью для предварительной фильтрации в технологических процессах в фармацевтической и биотехнологических сферах является эффективное удаление таких загрязнений из потока жидкости как липиды, коллоиды, белковые агрегаты, частицы, которые приводят или к преждевременному засорению нижестоящих мембранных фильтров или снижению эффективности нижестоящего очистительного оборудования, например, хроматографических колонн и ультрафильтрационных систем.


Особенности и преимущества фильтров Sartopure® GF Plus

Адсорбирующие фильтры глубинного типа Sartopure® GF Plus специально разработаны для эффективного удаления этих загрязнений. Предварительная фильтрация с помощью фильтров Sartopure® GF Plus создает очищенные потоки жидкости для последующей обработки или окончательной стерилизующей фильтрации или удаления микоплазмы.

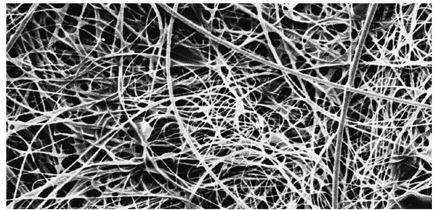
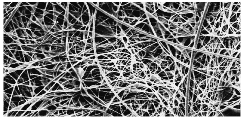
Фильтры глубинного типа оснащены инновационной, двухслойной, 3-мерной матрицей из стекловолокнистого полотна для обеспечения

  • повышенной абсорбционной способности;
  • превосходных показателей общей пропускной способности;
  • заданного удержания частиц.

Сочетание адсорбционной и механической ретенции обеспечивает эффективное удержание деформируемых и недеформируемых частиц, даже меньших уровня удержания самого фильтра. Основные преимущества этого инновационной технологии адсорбирующего фильтра глубинного типа следующие:

  • эффективная очистка от посторонних частиц;
  • экономичная конструкция предварительного фильтрования;
  • надежная работа.


Применение

Адсорбирующие фильтры глубинного типа Sartopure® GF Plus идеально подходят для осветления и предварительной фильтрации:

  • Ферментативных бульонов.
  • Растворов клеточных культур после сбора клеток.
  • Бессывороточных и содержащих сыворотку питательных культуральных сред для выращивания культур клеток.
  • Сывороток.
  • Сильновязких офтальмологических жидкостей и растворов для парентерального введения в больших объемах.

Фильтры глубинного типа Sartopure® GF Plus доступны в виде стандартных фильтровальных картриджей, а также элементов разового использования типа MaxiCaps. Фильтровальные картриджи Sartopure® GF Plus можно использовать в процессах, для которых требуется максимальный перепад давления. Картриджи являются крепкими, надежными и стойкими к коррозии и должны выдерживать множество поточных пропарочных циклов.

Элемент типа MaxiCaps состоит из стандартного фильтровального картриджа типа капсулы одноразового использования. Интеграция элементов типа MaxiCaps позволяет конструировать полнофункциональные технологические линии одноразового использования, снижающие затраты на валидацию очистки и инвестиции в оборудование из нержавеющей стали.


Sartopure® GF Plus в биотехнологическом производстве

Ферментативные бульоны и растворы клеточных культур могут содержать высокие уровни концентрации коллоидов, липидов, белковых агрегатов, белков клетки-хозяина и других загрязнителей. Фильтр Sartopure® GF Plus обеспечивает эффективное удаление этих загрязнителей на всех ранних этапах нижестоящего технологического процесса, удерживая при этом ценные представляющие интерес фракции. Адсорбирующие фильтры глубинного типа Sartopure® GF Plus обеспечивают осветленные потоки жидкости перед ниже расположенными хроматографическими колоннами и ультрафильтрационными системами, чтобы получить оптимальную эффективность на этих этапах очистки.

Для расположенных выше по ходу потока технологических процессов фильтры глубинного типа Sartopure® GF Plus представляют идеальный выбор для предварительной фильтрации бессывороточных и содержащих сыворотку питательных культуральных сред для выращивания культур клеток. Стерилизующие или удерживающие микоплазму мембранные фильтры эффективно защищены от загрязнений и взвешенных частиц, предоставляя экономические решения по фильтрации при подготовке сред.


Фильтры Sartopure® GF Plus в фармацевтическом производстве

Сильновязкие жидкости, как офтальмологические препараты и парентеральные лекарственные средства большого объема, содержащие в высоких концентрациях Д-глюкозу, являются серьезной и сложной задачей для стерилизующих мембранных фильтров.

Небывалая эффективность удержания в сочетании с превосходными показателями общей пропускной способности фильтров Sartopure® GF Plus обеспечивают эффективную защиту мембранных фильтров, обеспечивая при этом экономичные решения для предварительной фильтрации. Использование фильтров глубинного типа Sartopure® GF Plus поможет значительно снизить затраты на фильтрацию в сфере классического фармацевтического производства.

Отзывы

Технические характеристики

  • Фильтрующий материал:


    ✓ Стекловолокно

  • Сердцевина | наружная опора:


    ✓ Полипропилен

  • Концевые крышки:


    ✓ Полипропилен

  • Уплотнительные кольца:


    ✓ Силикон (этилен-пропиленовый каучук, флюороэластомер)*

  • Площадь фильтрации:


    ✓ 0,6 м на 10” картридж или MaxiCaps®

  • Коэффициент фильтрования:


    ✓ 0,65 мкм | 2 мкм

  • Высоты:


    ✓ 10” (250 мм)
    ✓ 20” (500 мм)
    ✓ 30” (750 мм)

  • Максимальное дифференциальное давление в направлении фильтрации (Картриджи)


    ✓ 5 бар при 20°C
    ✓ 2 бара при 80°C

  • Максимальное дифференциальное давление в направлении фильтрации (MaxiCaps®)


    ✓ 4 бара при 20°C
    ✓ 3 бара при 50°C

  • Максимальное противодавление


    ✓ 2 бар при 21°C
    ✓ 1 бар при 121°C

 

* дополнительно

Закажите также10